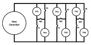
Wiring Diagram, Electrical Schematic, Main Generator on a locomotive connected to traction motors, traction motor current, traction motor circuit, can wire traction motors in series and in parallel, can transition from series to parallel with a TECU Control System

